Overview
Product Details
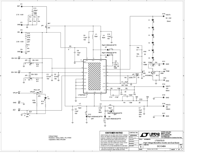
DC1348A: Demo Board for the LT3587 High Voltage Monolithic Inverter and Dual Boost
Applicable Parts
Documentation & Resources
-
DC1348A - Schematic9/24/2009PDF85K
-
DC1348A - Demo Manual9/24/2009PDF1M
-
DC1348A - Design File9/24/2009ZIP815K
