Overview
Product Details
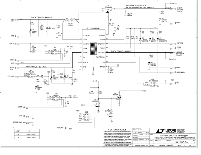
DC1162A-B: Demo Board for LTC4223 Dual Supply Hot Swap Controller for Advanced Mezzanine Card
Applicable Parts
Documentation & Resources
- 
                                                                
                                                                    
                                                                                                                                            Hot Swap Controllers8/2/2023PDF0 M
- 
                                                                
                                                                    
                                                                                                                                            DC1162A - Schematic9/24/2009PDF61K
- 
                                                                
                                                                    
                                                                                                                                            DC1162A - Demo Manual9/24/2009PDF412K
- 
                                                                
                                                                    
                                                                                                                                            DC1162A - Design File9/24/2009ZIP1M
 
                             
                         
                         
                                                