Overview
Product Details
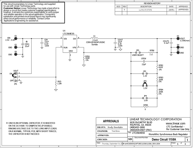
Demonstration circuit DC1158A is a high efficiency monolithic synchronous buck regulator using a constant frequency, current mode architecture featuring LTC3564 in the ThinSOT package. The demo board features a 2.5V to 5.5V input voltage range and provides a jumper-selectable 1.2V/1.5V/1.8V output at 1.25A. Its high switching frequency of 2.25MHz allows the use of small surface mount inductors and capacitors.
Applicable Parts
Documentation & Resources
-
DC1158A - Schematic9/24/2009PDF85K
-
DC1158A - Demo Manual9/24/2009PDF334K
-
DC1158A - Design File9/24/2009ZIP1M
