Overview
Product Details
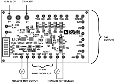
Demonstration circuit 2692A-A features the LTC2662, 5-channel, 16-bit, 300mA, current source DACs with 10ppm/°C reference in a 5mm × 5mm QFN package. This device features per-channel SoftSpan™ configuration of 3.125mA to 300mA, a separate supply for each output, and an internal switch to allow any output pin to be connected to V−.
Pin-compatible 12-bit versions are available for lower resolution requirements on the DC2692A-B.
Documentation & Resources
-
DC2692A-A Schematics9/27/2018PDF50 K
-
DC2692A Demo Manual (Rev. 0)9/27/2018PDF305 K
-
DC2692A-A Design Files9/27/2018ZIP1 M
