Overview
Features and Benefits
- Easy Evaluation of the MAX22194 or MAX22196
- EV Kit Logic Side is USB-Powered
- Software Configurable for IEC 61131-2 Type 1/3, Type 2, TTL or HTL Inputs
- Galvanic Isolation Using the MAX14483
- Supports Transient Immunity Testing According to IEC 61000-4-2, IEC 61000-4-4, and IEC 61000-4-5 Standards
- Robust Design at Field Inputs
- ±1kV Surge Tolerant Line-to-Ground and Line-to-Line
- ±8kV Contact Electrostatic Discharge (ESD)
- ±15kV Air-Gap ESD
- Windows® 10 Compatible Software
- Fully Assembled and Tested
- Proven PCB Layout
- RoHS Compliant
Product Details
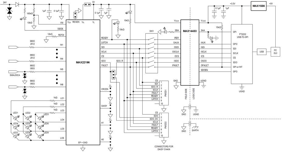
The MAX22196 evaluation kit (EV kit) provides the hardware and software necessary to evaluate the MAX22194 and MAX22196, Quad and Octal Industrial Sink/Source Digital Input devices. The MAX22196 EV kit receives commands from a PC through the USB port and creates SPI transactions for communication between the software and the MAX22194 or MAX22196 on the EV kit. The MAX22196 EV kit also has a Pmodā¢-compatible connector for SPI communication with an external host device such as a microcontroller unit (MCU) or field-programmable gate array (FPGA).
The EV kit comes with a MAX22196ATJ+ in a 5mm x 5mm 32-pin TQFN package, installed as U1. The EV kit can also be used to evaluate the MAX22194ATJ+. To do so, order MAX22194ATJ+ samples and replace U1 on the board.
The EV kit includes a GUI that provides communication between the target device and the PC. The GUI allows configuration and reading of the MAX22194/MAX22196 status through SPI. All input channels of the MAX22194/MAX22196 can individually be configured as sinking or sourcing type. Each channel also supports Type 1/3, Type 2, TTL or HTL input with the current limit set by a single on-board resistor. The MAX22196 EV kit is designed to support transient immunity testing for ESD, EFT, and Surge according to IEC 61000-4-2, IEC 61000-4-4, and IEC 61000-4-5, respectively. The EV kit can operate in multiple modes, as shown in the EV Kit System Block Diagram:
- USB Mode: If SW1 are all closed, the device SPI receives commands through the USB port from the Analog Devices-supplied EV kit software.
- Pmod Mode: If SW1 are all open, the MAX22196 SPI receives commands through the PMOD1 connector. This industry standard connector interfaces with popular MCU or FPGA platforms. User is required to generate firmware to provide the SPI commands.
- Multi-Device Mode: Multiple MAX22196 EV kits can be connected in daisy-chain mode using PMOD1 and PMOD2 connectors. User can choose to use the provided software GUI, which supports up to four devices in daisy chain, or their own microcontroller or FPGA platforms.
Markets and Technologies
Applicable Parts
Package Contents
- MAX22196EVKIT# including the MAX22196ATJ+
- Micro-USB cable
- 24V power adapter
Documentation & Resources
-
Evaluation Kit for MAX22194 and MAX22196 Data Sheet (Rev. 1)3/22/2023PDF1 M
-
MAX22196EVKIT Gerber Files3/22/2023ZIP3 M



