Surge Stopper Protects Sensitive Electronics from High Voltage Transients
Introduction
In automotive and industrial applications, electronics are subjected to high voltage power supply spikes that can last from a few microseconds to hundreds of milliseconds. For instance, microsecond supply spikes result from load steps transmitted via parasitic wiring inductance. Longer surges, such as an automotive load dump, caused by a break in battery connections, is a voltage surge that stays at an elevated level for hundreds of milliseconds. All electronics in these systems must be protected from high voltage transients or risk degraded performance or failure and costly replacement.
The most common way of protecting electronics from voltage spikes combines a series iron core inductor and high value electrolytic bypass capacitor, augmented by a high power transient voltage suppressor (TVS) and fuse. The bulky inductor and capacitor take up valuable board space and are often the tallest components in the system. Even with all this protection, supply voltage excursions are still high enough to warrant the use of high voltage rated components for downstream DC/DC converters and linear regulators.
The LT4356 surge stopper eliminates the need for bulky filtering components by isolating low voltage circuitry from damaging spikes and surges found in automotive, avionic and industrial systems. The LT4356 also guards against overloads and short circuits, and withstands input voltage reversal.
Figure 1 shows a functional block diagram of the LT4356. Under normal operating conditions, it drives the gate of an N-channel MOSFET pass device fully on so that its presence is of no consequence to the load circuitry. The MOSFET is called into duty as a series limiter in case of overvoltage or overcurrent conditions. If the input voltage rises above a regulation point set by the FB divider, the voltage amplifier VA drives the MOSFET as a linear regulator, limiting the output voltage to the prescribed value and allowing the load circuitry to continue operating, uninterrupted. To protect the MOSFET and load from short circuits, the LT4356 includes current limiting.

Figure 1. Block diagram of the LT4356.
Operation
When power is first applied, or when the LT4356 is activated by allowing SHDN to pull itself high, the MOSFET is turned on gradually by slowly driving the gate high. This soft-start minimizes the effects of dynamic loading on the input supply. Once the MOSFET is fully on (VDS < 700mV), the EN pin goes high to activate the load circuitry, such as a microprocessor.
During overcurrent or overvoltage conditions, the current amplifier (IA) or the voltage amplifier (VA) is called into action, appropriately limiting the output current or voltage. In the case of an overvoltage condition, the load circuit continues to operate, noticing little more than a slight increase in supply voltage as illustrated in Figure 2. The load circuit may continue operating if, in the case of a current overload, sufficient output voltage is available. The timer capacitor ramps up whenever output limiting occurs, regardless of cause. If the condition persists long enough for the TMR pin to reach 1.25V, the FAULT pin goes low to give early warning to downstream circuitry of impending power loss. At 1.35V the timer shuts down the MOSFET and waits for a cool-down interval before attempting to restart.

Figure 2. During overcurrent or overvoltage conditions, the current amplifier (IA) or the voltage amplifier (VA) is called into action, appropriately limiting the output current or voltage. In the case of an overvoltage condition, the load circuit continues to operate, noticing little more than a slight increase in supply voltage.
Another feature of the LT4356 is the spare amplifier (AMP), which may be used as a power good comparator, input voltage monitor or low dropout linear regulator. In shutdown the supply current is reduced to 5μA, permitting use in applications where the device is left permanently connected to a battery supply.
In the circuit of Figure 3, the output voltage is set to 16V by an external resistive divider. The spare amplifier is configured to monitor the input voltage and indicate undervoltage through the AOUT pin. The EN pin activates the downstream load after the MOSFET is fully on.

Figure 3. The spare amplifier is configured to monitor the input voltage and indicate undervoltage through the AOUT pin.
Reverse Battery Protection
To protect against reverse inputs, a Schottky blocking diode is often included in the power path of an electronic system. This diode not only consumes power, it also reduces the operating voltage range, particularly with low input voltages such as an automotive condition known as “cold crank.” By using the LT4356’s GATE output to drive a second, reverse-connected MOSFET, the conventional Schottky blocking diode and its voltage and power losses can be eliminated.
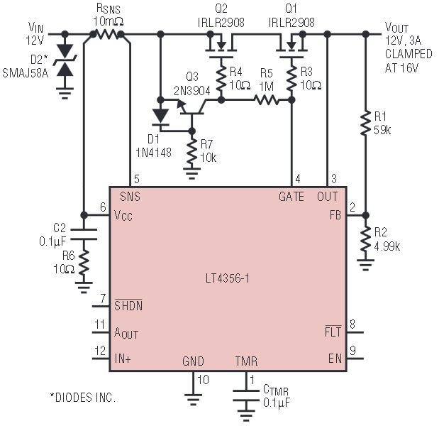
Figure 4 shows a reverse protected circuit with the second MOSFET. Under normal operating conditions with a positive input, Q2 is enhanced by the GATE pin and is fully on, as is Q1. Q3 is off and plays no role. If the input connections are reversed and a negative voltage reaches the LT4356, Q3 turns on and drags Q2’s gate down to the negative input, thus isolating Q1 and points downstream from the negative voltage. The LT4356’s VCC, SNS and SHDN pins are protected from voltages of up to minus 30VDC without damage.

Figure 4. A reverse protected circuit with the second MOSFET.
Low loss reverse blocking is also possible with a P-channel MOSFET, as shown in Figure 5. In both cases there is no need for the blocking MOSFET, Q2, to be rated at a voltage any higher than the anticipated negative input.

Figure 5. Low loss reverse blocking is also possible with a P-channel MOSFET.
Auxiliary Output Voltage
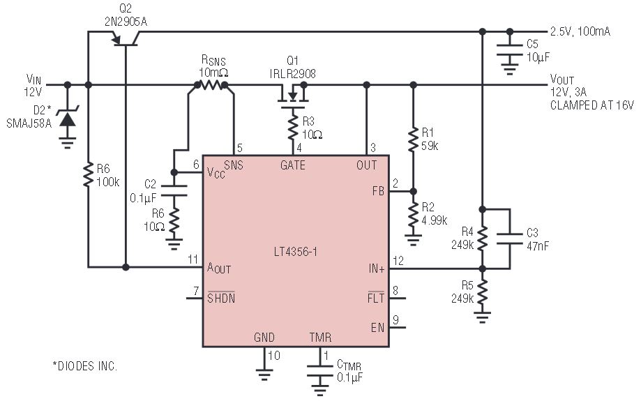
The internal spare amplifier can drive an external PNP to provide another supply rail, as shown in Figure 6. With 2mA available from the AOUT pin, this PNP based linear regulator can supply 100mA of current as an auxiliary, regulated output. The spare amplifier also finds use as an undervoltage monitor (keeping an eye on the input voltage as shown in Figure 3), or as glue for other power system tasks. The next section shows how the spare amplifier is configured as a power good comparator.

Figure 6. The LT4356’s internal spare amplifier can drive an external PNP to provide another supply rail.
Inrush Control
A wide operating range (4V to 80V) and accurate current limit (10% maximum) suit the LT4356 for use as a high voltage Hot Swap™ controller, as shown in Figure 7. The gate capacitor, C1, and the controlled gate current set the slew rate at the GATE pin. The slew rate and output capacitor, CL, set the inrush current at start-up. The spare amplifier is configured as a power good comparator, monitoring the output voltage. R7 adds hysteresis to eliminate motorboating.

Figure 7. High voltage Hot Swap™ controller.
During an overcurrent event, the current limit loop regulates the voltage across the VCC and SNS pins to 50mV and starts the timer. After timeout, the pass transistor turns off and remains off until the overcurrent condition has passed and a cool down period has elapsed. Under conditions of overcurrent, MOSFET safe operating area stress increases as the drain-source voltage drop increases. The LT4356 monitors VDS and shortens the timer interval in proportion to increasing VDS. This way a brief, minor overload may persist for a longer time interval than a highly stressful output short circuit condition, ensuring the MOSFET operates within its safe operating area.
While MOSFET protection is important, the real benefit of current limit is recognized only after surviving a short circuit: the upstream fuse also survives, and need not be replaced.
Conclusion
The electronic content in automotive and industrial systems is becoming increasingly plentiful and sophisticated, yet power sources remain riddled with spikes and surges. As more and more features are packed into the electronics, less and less space is available for conventional methods of filtering, clamping and rejecting the noise. The LT4356 surge stopper offers a means for reducing the necessary board space, while at the same time cutting the heat dissipation and voltage loss associated with blocking diodes and filter inductors. Higher efficiency and wider usable voltage range allow more functionality to be incorporated into space-constrained products.