单IC增益模块提供¼到6的精密增益
许多应用都需要利用增益模块来放大弱信号或衰减大信号,使之与ADC的满量程输入范围匹配。遗憾的是,采用分立放大器和外部电阻的典型增益模块有很多缺点,例如低精度和漂移限制等。举例来说,采用标准1%、100 ppm/°C增益电阻时,初始增益误差可能达到2%,温漂可能达到200 ppm/°C。一般而言,人们可以使用精密电阻来实现精密增益设置,但这种电阻很昂贵,而且要占用宝贵的PCB空间。另外,每个电阻的温漂情况不同,故增益也可能随着温度而变化。因此,人们需要一种单芯片放大器,它能放大或衰减信号,但性能不会有任何降低。
图1和图2所示IC框图配置是性能更高、成本更低、尺寸更小的解决方案。就此功能而言,这种集成产品是尺寸最小的,电路无需其他外部元件。

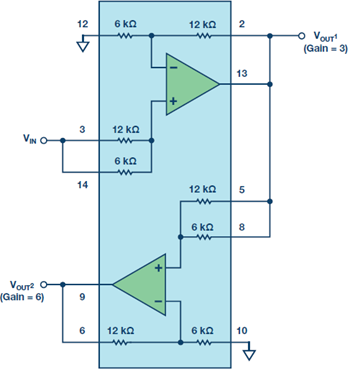
图1中的IC为AD8273,它是一款低失真、双通道放大器,内部具有增益设置电阻。利用四个已调整电阻,各通道可配置为高性能差动放大器(G = ½或2)、反相放大器(G = –½或–2)或同相放大器(G = 1½或3)。将两个放大器组合起来,可以构建一个增益可变(¼、½、1、2、3、4和6)的增益模块。该电路可以采用单电源或双电源供电,最大电源电流仅为5 mA。
虽然可以采用分立方式构建此电路,但将电阻集成在芯片上可以给电路板设计人员带来许多好处,如直流规格更佳、交流规格更佳、生产成本更低等。内部电阻经过激光精密调整,保持严格匹配。相比于采用标准分立电阻的放大器设计,这种IC依赖电阻匹配的规格(如增益漂移、共模抑制、增益精度等)更好。这种集成还缩短了电路板构建时间并提高了可靠性。
正负输入引脚故意未接出。把这些节点留在内部意味着其电容要显著低于分立设计中的电容。由于这些节点的电容较低,因此环路更稳定,AC共模抑制性能更好。
该电路支持±2.5 V(5 V单电源)至±18 V(36 V单电源)的宽电源电压范围,非常适合测量工业应用中的大信号。此外,该器件的电阻分压器结构允许其测量超出电源的电压。

图2所示的AD8273类似电路配置提供增益为½或¼的衰减。增益模块本身内含两个差动放大器,各放大器的增益为0.5。因此,VOUT1输出电压提供½的精密增益,VOUT2输出电压提供¼的精密增益。

所有电阻都在增益模块内部,故精度和漂移指标均很出色。通常,此类电路的增益精度优于0.1%,增益温度系数低于5 ppm/°C。由于电路集成到一个芯片中,而不是将数个分立器件放在PCB上,所以电路板的制作速度更快且效率更高。
最后,很容易看出,集成放大器且内置增益设置电阻的增益模块相比于分立放大器设计有许多优势。可以连接很多带有片内电阻的IC以提供各种各样的选项。此外,相比于分立设计,使用片内电阻给设计人员带来了多项性能优势,因为运算放大器电路的大多数直流性能取决于周围电阻的精度。内部电阻经过激光调整,并经过测试以确保匹配精度。因此,该IC在增益漂移、共模抑制和增益误差等诸多特性上都达到了很高的要求。其节省空间的封装可减少PCB占用面积。总之,单芯片增益模块可简化布局,降低成本,并自动改善系统性能。