MAX5581接口: MAX5581快速建立DAC与PIC微控制器的接口

2005-06-20

Figure 1

   

摘要

本应用笔记介绍MAX5581 DAC与PIC®微控制器的配合使用,给出了详细的电路图和源代码。

MAX5581简介

MAX5581是一款12位、快速建立DAC,采用3线SPI™串行接口。MAX5581的接口支持高达20MHz的SPI,最快建立时间为3µs。本应用笔记给出了连接高速PIC微控制器(PIC18F核)和MAX5581 DAC的应用电路以及所需要的全部固件。汇编程序利用MPLAB IDE、6.10.0.0版本中免费提供的编译器编写,用于PIC18F442。

硬件说明

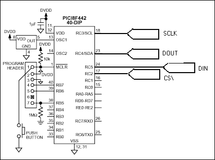
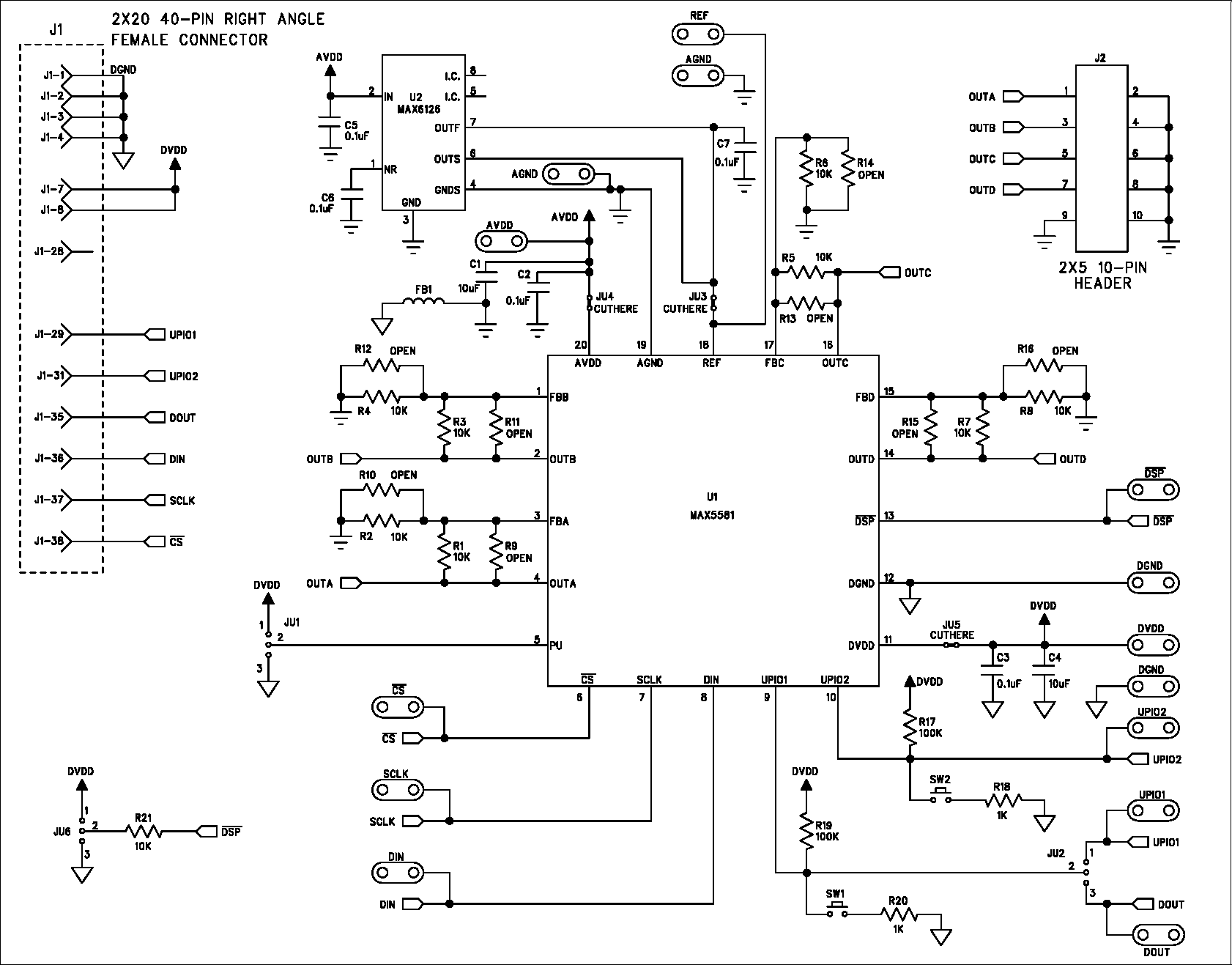
这里讨论的应用电路采用了MAX5581评估板,包括:MAX5581、超高精度电压基准(MAX6126)、两个按键开关、增益设置电阻和PCB。PIC18F442没有安装在MAX5581EVKIT板上,但已添加到系统中,图1所示是一个完整的应用电路。MAX5581EVKIT上的/CS、SCLK、DIN和DOUT焊盘便于SPI串行接口的连接。

图1. MAX5581应用电路第一部分

图1. MAX5581应用电路第一部分

图1. MAX5581应用电路第二部分

图1. MAX5581应用电路第二部分

模拟与数字地平面

将模拟地与数字地分离开(如图2所示)可以得到较好的实际效果,利用铁氧体磁珠,如TDK MMZ1608B601C,连接两个地平面。这种布局可以避免微控制器系统时钟及其谐波成份馈入模拟地。已知PIC18F442的系统时钟为40MHz,考虑到MMZ1608B601C特殊的阻抗与频率特性,我们选择了这款铁氧体磁珠。图3给出了MMZ1608B601C阻抗随频率的变化曲线。

图2. 分离的模拟地和数字地

图2. 分离的模拟地和数字地

图3. TDK MMZ1608B601C铁氧体磁珠阻抗随频率的变化曲线

图3. TDK MMZ1608B601C铁氧体磁珠阻抗随频率的变化曲线

固件说明

列表1给出的汇编程序通过PIC18F442的内部MSSP SPI接口对MAX5581进行初始化,PIC18F442的40MHz系统时钟允许MSSP提供高达10MHz的SPI时钟(SCLK)。表1所示为上电后的配置字。一旦完成了对MAX5581的初始化,程序便将DAC输出寄存器装载为零,然后装载满量程输出,如表2所示。该固定循环程序可产生方波输出,如图4所示,可以用来演示MAX5581的快速建立时间。

图4. 一个输出为80kHz方波的实际示波器测试图

图4. 一个输出为80kHz方波的实际示波器测试图

列表1. 用于连接MAX5581和PIC18F442内部MSSP SPI接口的汇编程序

下载: P18F442.INC

列表1.asm

;******************************************************************************
;
;    Filename:		Listing 1 (Absolute Code Version)
;    Date:    		2/25/05
;    File Version:  	1.0
;
;    Author:        	Ted Salazar
;    Company:       	Maxim
;
;******************************************************************************
;
;	Program Description:
;
;	This program interfaces the internal SPI MSSP
;	(Peripheral) of the PIC18F442 to the MAX5581 SPI
;	Quad DAC. The program initializes the MAX5581
;	and dynamically generates a 50% duty cycle square
;	wave with a frequency of 80KHz.
;
;
;******************************************************************************
;
; History:
; 2/25/05: Tested SPI DAC format
; 2/25/05: Initialized MAX5591
; 12/14/04: Cleared tcount timer in HWSPI_W_spidata_W
;******************************************************************************
;******************************************************************************


;
;******************************************************************************
;
;    Files required:         P18F442.INC
;
;******************************************************************************
	radix hex               ;Default to HEX
	LIST P=18F442, F=INHX32	;Directive to define processor and file format
	#include <p18f442.inc>	;Microchip's Include File
;******************************************************************************
;******************************************************************************
xmit    equ		06 		; Asynchronous TX is at C6
;
;******************************************************************************
;Configuration bits
; The __CONFIG directive defines configuration data within the .ASM file.
; The labels following the directive are defined in the P18F442.INC file.
; The PIC18FXX2 Data Sheet explains the functions of the configuration bits.
; Change the following lines to suit your application.

;T	__CONFIG	_CONFIG1H, _OSCS_OFF_1H & _RCIO_OSC_1H
;T	__CONFIG	_CONFIG2L, _BOR_ON_2L & _BORV_20_2L & _PWRT_OFF_2L
;T	__CONFIG	_CONFIG2H, _WDT_ON_2H & _WDTPS_128_2H
;T	__CONFIG	_CONFIG3H, _CCP2MX_ON_3H
;T	__CONFIG	_CONFIG4L, _STVR_ON_4L & _LVP_OFF_4L & _DEBUG_OFF_4L
;T	__CONFIG	_CONFIG5L, _CP0_OFF_5L & _CP1_OFF_5L & _CP2_OFF_5L & _CP3_OFF_5L
;T	__CONFIG	_CONFIG5H, _CPB_ON_5H & _CPD_OFF_5H
;T	__CONFIG	_CONFIG6L, _WRT0_OFF_6L & _WRT1_OFF_6L & _WRT2_OFF_6L & _WRT3_OFF_6L
;T	__CONFIG	_CONFIG6H, _WRTC_OFF_6H & _WRTB_OFF_6H & _WRTD_OFF_6H
;T	__CONFIG	_CONFIG7L, _EBTR0_OFF_7L & _EBTR1_OFF_7L & _EBTR2_OFF_7L & _EBTR3_OFF_7L
;T	__CONFIG	_CONFIG7H, _EBTRB_OFF_7H

;******************************************************************************
;Variable definitions
; These variables are only needed if low priority interrupts are used.
; More variables may be needed to store other special function registers used
; in the interrupt routines.

		CBLOCK	0x080
		WREG_TEMP	;variable used for context saving
		STATUS_TEMP	;variable used for context saving
		BSR_TEMP	;variable used for context saving
		;
		ENDC

		CBLOCK	0x000
		EXAMPLE	;example of a variable in access RAM
		;
		temp    	;
		temp2
		;
		xmtreg  	;
		cntrb   	;
		cntra   	;
		bitctr  	;

		tcount	;
		speedLbyte	;T Being used in HWSPI_speed
		;
		ENDC
;******************************************************************************
;Reset vector
; This code will start executing when a reset occurs.

		ORG	0x0000

		goto	Main	;go to start of main code

;******************************************************************************
;High priority interrupt vector
; This code will start executing when a high priority interrupt occurs or
; when any interrupt occurs if interrupt priorities are not enabled.

		ORG	0x0008

		bra	HighInt	;go to high priority interrupt routine

;******************************************************************************
;Low priority interrupt vector and routine
; This code will start executing when a low priority interrupt occurs.
; This code can be removed if low priority interrupts are not used.

		ORG	0x0018

		movff	STATUS,STATUS_TEMP	;save STATUS register
		movff	WREG,WREG_TEMP		;save working register
		movff	BSR,BSR_TEMP		;save BSR register

;	*** low priority interrupt code goes here ***


		movff	BSR_TEMP,BSR		;restore BSR register
		movff	WREG_TEMP,WREG		;restore working register
		movff	STATUS_TEMP,STATUS	;restore STATUS register
		retfie

;******************************************************************************
;High priority interrupt routine
; The high priority interrupt code is placed here to avoid conflicting with
; the low priority interrupt vector.

HighInt:

;	*** high priority interrupt code goes here ***


		retfie	FAST

;******************************************************************************
;Start of main program
; The main program code is placed here.

Main:

;	*** main code goes here ***
start
;	*** Port Initialization ***
	  	movlw	0x0FF
        	movwf	PORTB
        	clrf	PORTA
        	movlw	0x06        	;T Configure PortA as Digital
        	movwf 	ADCON1
        	movlw 	0x00FB 		;T A2 OUTPUT, ALL OTHERS INPUT
        	movwf 	TRISA
        	movlw	0x0001    	;T B0 INPUT, ALL OTHERS OUTPUT
        	movwf	TRISB

        	movlw	0x0093    	;T C7-C0 => bit7-0
        				;T OUTPUTs: C6(TX), C5(MOSI), C3(SCLK), C2(CS)
        				;T INPUTs:C4 (MISO) and all others
	  	movwf	TRISC      	;T TRISC bit3 Master = 0
	  	bsf	PORTC,RC2	;T RC2 = CS\ Make CS\ high

;    	*** SPI Initialization ***
		call	HWSPI_init      ;T Initialize the MSSP for SPI
;    	*** SPI Configuration ***
        	movlw	b'00000000' 	;T load W with test byte for CPOLCPHA 0,0
					;T b'00000000' => CPOLCPHA 0,0
					;T b'00000001' => CPOLCPHA 0,1
					;T b'00000010' => CPOLCPHA 1,0
					;T b'00000011' => CPOLCPHA 1,1
       		call	HWSPI_W_configure
;    	*** SPI Speed  ***
        	movlw	b'00000000' 	;T load W with test byte for SPI Freq
					;T b'00000000' => Fosc/4  = 10MHz
					;T b'00000001' => Fosc/16 = 2.5Mhz
					;T b'00000010' => Fosc/64 = 625kHz
					;T b'00000011' => Reserved.
		call 	HWSPI_W_speed
;******************************************************************************
;    	*** MAX5581 Initialization ***
 		bcf	PORTC,RC2		;T RC2 = CS\ Make CS\ Low
		movlw	0xEC			;T byte0 of settling time config
		call	HWSPI_W_spidata_W	;T HW SPI WriteRead Operation
		movlw	0x0F			;T byte1 of settling time config
		call	HWSPI_W_spidata_W	;T HW SPI WriteRead Operation
		bsf	PORTC,RC2		;T RC2 = CS\ Make CS\ high
;    	*** MAX5581 Load All DAC Outputs to Zero Scale ***
Loopforever 	bcf	PORTC,RC2		;T RC2 = CS\ Make CS\ Low
		movlw	0xD0			;T byte0 of load all input/output to zeros
		call	HWSPI_W_spidata_W	;T HW SPI WriteRead Operation
		movlw	0x00			;T byte1 of load all input/output to zeros
		call	HWSPI_W_spidata_W	;T HW SPI WriteRead Operation
		bsf	PORTC,RC2		;T RC2 = CS\ Make CS\ high
;    	*** MAX5581 Load All DAC Outputs to Full Scale ***
 		bcf	PORTC,RC2		;T RC2 = CS\ Make CS\ Low
		movlw	0xDF			;T byte0 of load all input/output to zeros
		call	HWSPI_W_spidata_W	;T HW SPI WriteRead Operation
		movlw	0xFF			;T byte1 of load all input/output to zeros
		call	HWSPI_W_spidata_W	;T HW SPI WriteRead Operation
		bsf	PORTC,RC2		;T RC2 = CS\ Make CS\ high
;        movwf   xmtreg				;T move w to xmtreg
;        call    asyxmtc			;T call UART routine
;
    		goto	Loopforever       	;T loop forever
;******************************************************************************
errsrv
		movlw	0x65		; load w with 'e' = 0x65
        	movwf	xmtreg          ; move w to xmtreg
        	call	asyxmtc		; call UART routine
dead    	goto  	dead            		; goto endless loop
;******************************************************************************
set_cf_error
		movlw 	0x00	 	; 0x00 into W
		sublw 	0x00     	; Subtract W-0x00: If W<=N C set; If W>N C clear.
		return           	; error=> cf=set
;******************************************************************************
clear_cf_ok
		movlw 	0x01	 	; 0x00 into W
		sublw 	0x00     	; Subtract W-0x00: If W<=N C set; If W>N C clear.
		return           	; success=> cf=clear
;******************************************************************************
HWSPI_init				;T SPI MSSP Initialization for M2EAM schematic
					;T CPOL,CPHA = 0,0  => CKP = 0 & CKE = 1

		bcf	SSPCON1,SSPEN	;T Disable the MSSP, SSPCON-5
;
		bcf	TRISC,SDO	;T TRISC bit5 RC5/SDO = 0 MOSI Output
		bcf	TRISC,SCK	;T TRISC bit3 RC3/SCK = 0 SCLK Output
		bsf	TRISC,SDI	;T TRISC bit4 RC4/SDI = 1 MISO Input
		movlw 	0x0040    	;T SSPSTAT bit8 = 0 sampled in middle
					;T SSPSTAT bit6 = CKE = 1
      		movwf 	SSPSTAT 	;T Used to be sspstat on older PICs
		movlw 	0x0020		;T SSPCON1 bit5 SSPEN = 1 Enables sycn serial port
        				;T SSPCON1 bit4 = CKP = 0
        				;T SSPCON1 bit3= 0 = Turn MSSP ON for SPI
        				;T SSPCON1 bit2-0 = 000b = SCLK = Fosc/4
        				;T SSPCON1 bit2 = 0 = Master
    		movwf 	SSPCON1 	;T Used to be sspcon on older PICs
		bsf	INTCON,PEIE	;T INTCON bit6 = PEIE = 1 = Enable periph interrupt
		bsf	PIE1,SSPIE  	;T PIE1 bit3 = SSPIE = 1 = interrupt enable
		movlw	0x00		;T load 0x00 into W
		movwf	tcount		;T initialize tcount to zero (0x00)
;******************************************************************************
HWSPI_W_configure
;Configure SPI Mode
;
;On Entry:	WREG = confDATA
;On Exit:
;On Success: return with C flag clear
;On Failure: return with C flag set
;
		bcf	SSPCON1,SSPEN	;T Disable the MSSP, SSPCON1-5
		movwf	temp	    	;T move the confDATA byte to temp
		btfsc	SSPCON1,SSPM3 	;T In SPI Mode?, skip if yes
        	call 	HWSPI_init	;T MSSP is in wrong mode, Init for SPI
;
		btfsc	temp,1		;T Is bit1 of confDATA byte clear? if so skip next
		goto 	CPOL_1		;T goto CPOL = 1 label => CPOL = 1
		btfsc	temp,0		;T Is bit0 of confDATA byte clear? if so skip next
					;T => CPOL = 0 , CPHA = ?
		goto 	CPOLCPHA_01	;T goto => CPOL = 0 CPHA = 1
;Configure for CPOL = 0, CPHA = 0
		bcf	SSPCON1,CKP	;T SSPCON1 bit4 = CKP = 0
		bsf	SSPSTAT,CKE	;T SSPSTAT bit6 = CKE = 1
		btfsc 	SSPCON1,CKP	;T Is SSPCON1 bit4 = CKP = 0 ?
		goto	badjump		;T CKP bit test error
		btfss	SSPSTAT,CKE	;T Is SSPSTAT bit6 = CKE = 1 ?
		goto	badjump		;T CKE bit test error
		goto 	okjump2		;OK configured!
;
CPOL_1		btfsc	temp,0		;T Is bit0 of confDATA byte clear? if so skip next
					;T CPOL = 1 , CPHA = ?
		goto	CPOLCPHA_11	;T goto => CPOL = 1, CPHA = 1
;Configure for CPOL = 1, CPHA = 0
		bsf	SSPCON1,CKP	;T SSPCON1 bit4 = CKP = 1
		bsf	SSPSTAT,CKE	;T SSPSTAT bit6 = CKE = 1
		btfss 	SSPCON1,CKP	;T Is SSPCON1 bit4 = CKP = 1 ?
		goto	badjump		;T CKP bit test error
		btfss	SSPSTAT,CKE	;T Is SSPSTAT bit6 = CKE = 1 ?
		goto	badjump		;T CKE bit test error
		goto 	okjump2		;OK configured!
;
CPOLCPHA_01
;configure for CPOL = 0, CPHA = 1
		bcf	SSPCON1,CKP	;T SSPCON1 bit4 = CKP = 0
		bcf	SSPSTAT,CKE	;T SSPSTAT bit6 = CKE = 0
		btfsc 	SSPCON1,CKP	;T Is SSPCON1 bit4 = CKP = 0 ?
		goto	badjump		;T CKP bit test error
		btfsc	SSPSTAT,CKE	;T Is SSPSTAT bit6 = CKE = 0 ?
		goto	badjump		;T CKE bit test error
		goto 	okjump2		;OK configured!
;
CPOLCPHA_11
;configure for CPOL = 1, CPHA = 1
		bsf	SSPCON1,CKP	;T SSPCON1 bit4 = CKP = 1
		bcf	SSPSTAT,CKE	;T SSPSTAT bit6 = CKE = 0
		btfss 	SSPCON1,CKP	;T Is SSPCON1 bit4 = CKP = 1 ?
		goto	badjump		;T CKP bit test error
		btfsc	SSPSTAT,CKE	;T Is SSPSTAT bit6 = CKE = 0 ?
		goto	badjump		;T CKE bit test error
		goto 	okjump2		;OK configured!
;
okjump2		bsf	SSPCON1,SSPEN	;T Re-enable MSSP
		goto	clear_cf_ok
		return
badjump	bsf	SSPCON1,SSPEN		;T Re-enable MSSP
		goto 	set_cf_error	;T configuration error
		return
;******************************************************************************
HWSPI_W_speed
;On Entry:	WREG = speedDATA & checks SSPCON1-3 for SPI mode
;                  speedDATA = 0x00 => Fosc/4
;                  speedDATA = 0x01 => Fosc/16
;                  speedDATA = 0x02 => Fosc/64
;                  speedDATA = 0x03 => Timer Divisor (Not working yet)
;
;On Exit:
;On Success: return with C flag clear
;On Failure: return with C flag set
;
		bcf	SSPCON1,SSPEN 	;T Disable MSSP
		movwf 	speedLbyte	;T move speedDATA stored in W to speedLbyte
		btfsc	SSPCON1,SSPM3 	;T In SPI Mode?, skip if yes
        	call 	HWSPI_init	;T MSSP is in wrong mode, Init for SPI
;
;Test if speedLbyte = 0x00. If yes, SPI clock speed = Fosc/4
		movlw	0x00		;T load 0x00 into W
		subwf	speedLbyte,W	;T subtract 0x00 from tcount result in w
		btfss	STATUS,Z	;T test zero flag, skip next instr if z set
		goto	fdiv16		;T goto Fosc/16 section
		bcf	SSPCON1,SSPM1	;T SSPCON1-1 = 0
		bcf	SSPCON1,SSPM0	;T SSPCON1-0 = 0
		goto 	okjump3		;T Fosc/4 was selected
;Test if speedLbyte = 0x01. If yes, SPI clock speed = Fosc/16
fdiv16		movlw	0x01		;T load 0x01 into W
		subwf	speedLbyte,W	;T subtract 0x01 from tcount result in w
		btfss	STATUS,Z	;T test zero flag, skip next instr if z set
		goto	fdiv64		;T goto Fosc/64 section
		bcf	SSPCON1,SSPM1	;T SSPCON1-1 = 0
		bsf	SSPCON1,SSPM0	;T SSPCON1-0 = 1
		goto 	okjump3		;T Fosc/16 was selected
;Test if speedLbyte = 0x02. If yes, SPI clock speed = Fosc/64
fdiv64		movlw	0x02		;T load 0x02 into W
		subwf	speedLbyte,W	;T subtract 0x02 from tcount result in w
		btfss	STATUS,Z	;T test zero flag, skip next instr if z set
		goto	timer		;T goto Timer section
		bsf	SSPCON1,SSPM1	;T SSPCON1-1 = 1
		bcf	SSPCON1,SSPM0	;T SSPCON1-0 = 0
		goto 	okjump3		;T Fosc/64 was selected
;Test if speedLbyte >= 0x03. If yes, SPI clock speed will be set by the timer
;SETTING THE SPI CLOCK WITH THE TIMER WILL RETURN A FAILURE AT THIS TIME.
;Future To do: Implement the TIMER section
timer		movlw	0x03		;T load 0x02 into W
		subwf	speedLbyte,W	;T subtract 0x02 from tcount result in w
		btfss	STATUS,Z	;T test zero flag, skip next instr if z set
		goto	badjmp2		;T goto error section to return failure
		goto	badjmp2		;T goto error section to return failure
;		bsf	SSPCON1,SSPM1	;T SSPCON1-1 = 1
;		bsf	SSPCON1,SSPM0	;T SSPCON1-0 = 1
;		goto 	okjump3		;T Fosc/64 was selected

okjump3		bsf	SSPCON1,SSPEN	;T Re-enable MSSP
		bcf	STATUS,C	;T clear c flag on success
		return

badjmp2		bsf	SSPCON1,SSPEN	;T Re-enable MSSP
		bsf	STATUS,C	;T set c flag on failure
		return
;******************************************************************************
HWSPI_W_spidata_W
;Simultaneously write SPI data on MOSI and read SPI data on MISO
;
;on Entry:	WREG = mosiDATA & checks bit3 of SSPCON1 for SPI mode
;On Exit:	WREG = misoDATA
;On Success: return with C flag clear
;On Failure: return with C flag set
;
		movwf 	temp2		;T move mosiDATA stored in W to WREG_TEMP
		btfsc	SSPCON1,SSPM3 	;T In SPI Mode?, skip if yes
        	call 	HWSPI_init	;T MSSP is in wrong mode, Init for SPI
		movf	temp2,W		;T load W with original mosiDATA
;
		movwf	SSPBUF		;T move byte to transmit to SSPBUF (transmit buffer)
		movlw	0x00		;T load 0x00 into W
		movwf	tcount		;T initialize tcount to zero (0x00)
again1		btfsc	SSPSTAT,BF	;T receive completed? if no, skip next
		goto	okjump1		;T no. goto again
		incf 	tcount,F	;T increment tcount
		movlw	0xFF		;T load w with literal
		subwf	tcount,W	;T subtract 0xFF from tcount result in w
		btfss	STATUS,Z	;T test zero flag, skip next instr if z set
        	goto  	again1        	;T loop until timeout
		goto 	set_cf_error	;T receive timeout error
		return
okjump1 	movf 	SSPBUF,W	;T put received data in W
		goto	clear_cf_ok
		return
;******************************************************************************
; UART routine
asyxmtc 	bcf	PORTC,xmit  	;T used to be portc,xmit
        	call	full
        	movlw	0x08        	;TEST_T "08"
        	movwf	bitctr
asyxmt1 	rrcf 	xmtreg,f
        	btfsc 	STATUS,C
        	goto  	asyxmt2
        	bcf 	PORTC,xmit 	;T used to be portc,xmit
        	goto 	asyxmt3
asyxmt2 	bsf 	PORTC,xmit 	;T used to be portc,xmit
;
asyxmt3 	call	full
        	decfsz 	bitctr,f
        	goto  	asyxmt1
;
        	bsf 	PORTC,xmit 	;T used to be portc,xmit
        	call	full
        	retlw	0
;******************************************************************************
; UART baud rate of 115.2kbps using a 40MHz System Clock
full    	movlw	d'3'
        	movwf	cntrb
vdly0   	movlw	d'6'             ; d'43' with 4MHz => 2400 baud
        	movwf	cntra
vdly1   	decfsz 	cntra,f
        	goto 	vdly1
        	decfsz 	cntrb,f
        	goto 	vdly0
        	retlw	0
;******************************************************************************
;End of program

		END

</p18f442.inc>

表1. 配置写命令,将所有四路DAC的建立时间设置为3µs

SPI Line C7 C6 C5 C4 C3 C2 C1 C0 D7 D6 D5 D4 D3 D2 D1 D0
DIN 1 1 1 0 1 1 0 0 0 0 0 0 1 1 1 1
表2. 装载全部DAC输出命令
SPI Line C3 C2 C1 C0 D11 D10 D9 D8 D7 D6 D5 D4 D3 D2 D1 D0
DIN(1st) 1 1 0 1 0 0 0 0 0 0 0 0 0 0 0 0
DIN(2nd) 1 1 0 1 1 1 1 1 1 1 1 1 1 1 1 1

表2中,第一个命令将所有DAC输出设置为零,第二个命令将所有DAC设置为满量程输出。



最新视频 21
Title
Subtitle
了解更多
添加至 myAnalog

将文章添加到 myAnalog 的资源部分、现有项目或新项目。

创建新项目