具有 4V 至 150V 宽输入电压范围的高效率 100mA 同步降压型转换器
引言:
LTC3639 降压型 DC/DC 转换器的 4V 至 150V 宽输入电压范围使得汽车、航空电子设备和分布式电源系统能够:
- 满足大量的瞬态要求
- 实现多种宽范围输入电源,例如:高电压 DC 总线和低电压后备电池
- 设计一种能适应多种输入电源的通用型电源,从而减少库存量并降低设计和制造的成本
LTC3639 利用内部上下功率 MOSFET 执行高效率转换。该器件能支持高达 100mA 的输出电流并具有一个可编程的峰值电流限制。而且其输出电压范围也很宽广,从 0.8V 至输入电压。针对低压差操作,集成的上管 MOSFET 能在100%的占空比条件下工作。在很宽的输入和输出电压范围内实现了高效率。该同步降压型转换器还包括突发模式 (Burst Mode®) 操作和低静态电流的特点。由于控制架构的迟滞特性,因此环路具备固有的稳定性而不需进行补偿,从而造就了一款简单易用的应用电路。
4V~150V 输入至 3.3V 输出、100mA 降压型转换器
图 1 示出了一款 3.3V 输出、100mA 最大负载电流同步降压型转换器,其具有 4V 至 150V 的宽输入范围。LTC3639 具有三种可编程的固定输出电压,即 1.8V、3.3V 和 5V。这些固定输出采用一个内部反馈电阻分压器,并可简单地使用 VPRG1 和 VPRG2 引脚来选择。对于 3.3V 输出,只需把 VPRG1 连接至地并将 VPRG2 连接至 SS 引脚即可。VFB 引脚则直接连接至输出,并不需要使用一个外部电阻分压器。采用不同输入电压时的效率曲线示于图 2。

图 1:4V~150V 输入至 3.3V 输出、100mA 同步降压型转换器

图 2:图 1 所示转换器的效率曲线
36V~72V 输入至 24V 输出、100mA 降压型转换器
LTC3639 具有一个非常宽的输出电压范围,从 0.8V 至输入电压。除了可选的三种固定输出电压以外,还可以利用一个外部电阻分压器来设定一个可调的输出电压。图 3 给出了一款 24V 输出、100mA 同步降压型转换器的应用示例。输入电压范围利用 LTC3639 的过压闭锁和欠压闭锁功能控制在 36V 至 72V。输入工作范围可以容易地借助连接在 VIN 与 RUN 引脚和 OVLO 引脚之间的电阻分压器来设定,如图 3 所示。

图 3:具输入过压和欠压闭锁功能的 36V~72V 输入至 24V、100mA 降压型转换器
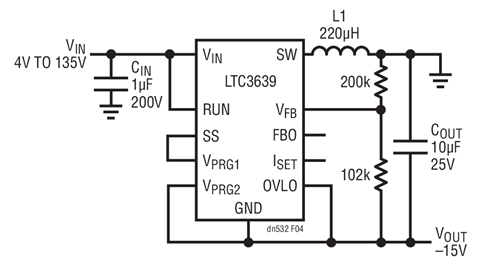
负输出电压应用
LTC3639 另一个有用的应用是从一个正电压产生负电压。该器件的宽电压范围使得可实现更大的负输出电压。图 4 示出了采用一个 4V 至 135V 输入产生一个 -15V 输出的稳压器实现方案。由于输出连接至接地引脚,因此最大输入电压被限制在 150V 与 -15V 稳定输出之和 (即 135V)。在这种正至负配置中,LTC3639 的最大输出电流约为 100mA·VIN/(VIN+|VOUT|)。

图 4:4V~135V 输入至 -15V 输出正至负稳压器
结论
LTC3639 具有一个非常宽的输入电压范围、非常宽的输出电压范围、集成型功率 MOSFET、低静态电流 (在停机模式时为 1.4μA,而在睡眠模式则为 12μA) 和高效率 (在很宽的负载电流范围)。该器件拥有丰富的功能,包括可编程或可调输出、可调电流限值、无需补偿、内部或外部软起动、可编程过压和欠压闭锁。此外,耐热性能增强型小外形 MSE 封装和简单的应用电路还提供了一款高性能、小巧和成本效益型 DC/DC 转换器解决方案,其适用于汽车系统、航空电子设备、分布式电源系统、医疗设备和工业控制电源。