Dual Monolithic Ideal Diode Extends Battery Run Time and Prioritizes Power Sources with Glitch-Free Switchover
Dual Monolithic Ideal Diode Extends Battery Run Time and Prioritizes Power Sources with Glitch-Free Switchover
by
Joshua Yee
2012-04-01
Mobile devices increasingly rely on several power sources that must be interchangeable on the fly, such as a wall adapter and a backup battery, where switchover between sources must be transparent and immediate. The simplest scheme for switching between two power sources is a simple diode-OR, but at higher current levels, power losses in the diode are a problem. To minimize power losses and maximize battery run time, replace the Schottkys in a traditional diode-OR with the LTC4415 dual monolithic ideal diode.
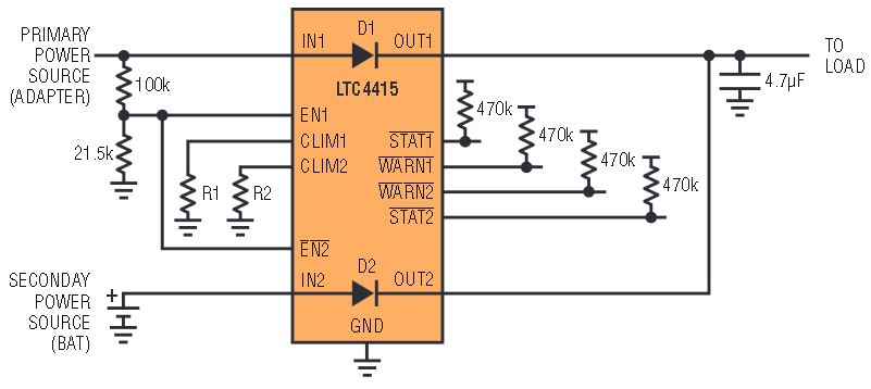
The LTC4415 efficiently and intelligently switches between two power sources in an input voltage range of 1.7V–5.5V. When used in the diode-OR application as shown in Figure 1, LTC4415 delivers load current through ideal diode D1 from the wall adapter until its voltage drops below the 4.5V switchover threshold set by the resistor divider on EN1/EN2. Once D1 is disabled, the battery delivers load current through D2 instead. STAT1 and STAT2 indicate which ideal diode is conducting.

Figure 1. Automatic ideal diode switchover between wall adapter and battery.
Features
Figure 2 shows that the LTC4415 conducts with a regulated forward voltage drop of 15mV when the load current is below 500mA, an improvement of >28mV compared to the LTC4413. Once the load current climbs above that, LTC4415 operates with an on-resistance of 50mΩ, a 140mΩ improvement over the LTC4413 in this region. At 4A, the LTC4415 produces a mere 200mV forward drop, a reduction of over 50% compared to a typical Schottky diode, which would produce a forward drop greater than 400mV. Because of its low forward voltage drop, LTC4415 dissipates less than half the power of a typical, low reverse leakage Schottky diode at 4A and less than a quarter at 2A, as shown in Figure 3.

Figure 2. The LTC4415 I-V curve and regions of operation vs a typical Schottky diode.

Figure 3. The LTC4415 dissipates only 800mW at 4A, which is over 50% lower than the 1700mW dissipated by a Schottky diode.
Another useful feature of the LTC4415 is short-circuit protection. The current limit of LTC4415 can be adjusted up to 4A with R1 and R2. Eliminating R1 and R2, and grounding CLIM1 and CLIM2, instead triggers the internal limit at 6A. Current limit is accomplished by a novel approach that allows the LTC4415 to both detect the load current and simultaneously produce a scaled analog voltage for load current monitoring across the same current limit resistor. Figure 4 shows a simplified block diagram. This eliminates series losses, and saves board space and BOM costs associated with a current sense resistor and amplifier circuit.

Figure 4. Current limit detection inside the LTC4415 for each channel.
LTC4415 P-channel MOSFETs are optimized for minimal on-resistance with rapid switchover between sources without any appreciable load droop. Figure 5 shows the LTC4415 switching between input sources of different voltages, with only a 200mV transient dip and recovery within 20μs. Note that transient voltage spikes are usually caused by inductive connections. This can be reduced with short leads, proper layout technique, and input and output bypass capacitors with appropriate ESR.

Figure 5. Rapid path switchover with only 5% transient voltage dip.
For status monitoring purposes, the active-low signals of STATx and WARNx provide feedback to a digital controller/processor. STATx reflects conduction status of a given channel. It can also be used to detect failure of a source. WARNx serves the dual purpose of indicating if a path is in current limit—when STATx is also low—or in thermal shutdown.
Thermal shutdown is triggered when die temperature exceeds 160°C. Figure 6 shows how these two signals reflect the system behavior when a path transitions back and forth between current limit and thermal shutdown. For about 25ms after the output is shorted, the current limit is active and WARNx stays low. Then STATx goes high as thermal shutdown is triggered. Restart occurs as the device cools below 140°C, but shuts down repeatedly due to the persistent short.

Figure 6. Current limit warning and thermal shutdown on output short circuit.
Conclusion
The LTC4415 is an easy-to-use, high performance ideal-diode-OR solution for instantaneous power supply switchover. It requires as few as four external resistors and one output capacitor. The low power loss and status monitoring makes LTC4415 an obvious choice in applications requiring dual diodes with built-in protection features. LTC4415 is offered in both 3mm × 5mm 16-pin DFN and MSOP packages.