5-Output High Current Power Supply for TFT-LCDs in a Low Profile QFN Features Space-Saving 2MHz Switching Regulators
5-Output High Current Power Supply for TFT-LCDs in a Low Profile QFN Features Space-Saving 2MHz Switching Regulators
by
Kevin Huang
2008-09-01
Introduction
The LT3513 is a highly integrated, 5-output regulator designed to provide all the supply voltages typically required by large TFT liquid crystal displays (LCDs) with a single IC. The part features a step-down switching regulator to produce a 3.3V or 5V logic voltage from a wide voltage range input, such as automotive battery. A lower voltage logic supply can be generated from the first supply by adding an external NPN driven by an internal linear regulator. The other three on-chip regulators provide the three bias voltages required by LCDs: a high power boost regulator to generate AVDD, a low power boost regulator to generate VON and an inverting regulator to provide VOFF.
Switching regulators are chosen over linear regulators to accommodate a wide input voltage range (providing both step up and step down functions) and to minimize power dissipation. The LT3513’s wide input range, 4.5V to 30V, allows it to accept a variety of power sources, including automotive batteries, distributed supplies and wall transformers. The low profile 38-pin QFN package has an exposed metal pad on the backside to maximize thermal performance.
All of the regulators are synchronized to a 2MHz internal clock, allowing the use of small, low cost inductors and ceramic capacitors. Since different types of panels may require different bias voltages, all output voltages are adjustable for maximum flexibility. Programmable soft-start capability is included in each of the regulators to limit inrush current.
Operation
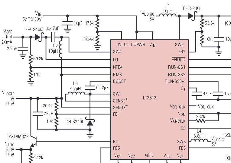
Figure 1 shows a 5-output TFT LCD power supply that can accommodate an 8V to 30V input voltage. The first switching converter produces a 5V logic supply using a buck regulator. The internal linear regulator with an external NPN produces a 3.3V logic supply using the 5V supply as input. The second switcher is used to boost the 5V supply to an 8V, 80mA AVDD bias supply. Another boost converter and an inverter generate VON and VOFF, which also use the 5V supply as input.

Figure 1. A complete 5-output 2MHz TFT-LCD power supply.
When power is first applied to the input, the RUN-SS1 capacitor starts charging. When its voltage reaches 0.8V, Switcher 1 is enabled. The capacitor at the RUN-SS1 pin controls the ramp rate for the Switcher 1 output, VLOGIC and inrush current in L1. Switchers 2, 3 and 4 are controlled by the BIAS pin, which is usually connected to VLOGIC. When the BIAS pin is higher than 2.8V, the capacitors at the RUNSS-2 and RUN-SS3/4 pin begin charging to enable Switchers 2, 3 and 4. When AVDD reaches 90% of its programmed voltage, the PGOOD pin is pulled low. When AVDD, VOFF and E3 all reach 90% or their programmed voltages, the CT timer is enabled and a 20μA current source begins to charge CT. When the CT pin reaches 1.1V, the output PNP turns on, connecting E3 to VON. Figure 2 shows the start up sequence of the circuit in Figure 1.

Figure 2. Startup waveforms of the power supply in Figure 1.
If one of the regulated voltages, VLOGIC, AVDD, VOFF or E3 dips more than 10%, the internal PNP turns off to shut down VON. This action protects the panels, as VON must be present to turn on the TFT display. The PGOOD pin can drive an optional PMOS device at the output of the boost regulator to disconnect the load at AVDD from the input during shutdown. The converter uses all ceramic capacitors. X5R and X7R types are recommended, as these materials maintain capacitance over a wide temperature range.
All four switchers employ a constant frequency, current mode control scheme. Switching regulator 1 uses a feedback scheme that senses inductor current, while the other switching regulators monitor switch current. The inductor current sensing method avoids minimum on-time issues and maintains the switch current limit at any input-to-output voltage ratio. The other three regulators have frequency foldback scheme, which reduces the switching frequency when its FB pin is below 0.75V. This feature reduces the average inductor current during start up and overload conditions, minimizing the power dissipation in the power switches and external components.
Layout Considerations
Proper PC board layout is important to achieve the best operating performance. Paths that carry high switching current should be short and wide to minimize parasitic inductance. In a buck regulator, this loop includes the input capacitor, internal power switch and Schottky diode. In a boost regulator, this loop includes the output capacitor, internal power switch and Schottky diode. Keep all the loop compensation components and feedback resistors away from the high switching current paths. The LT3513 pin out was designed to facilitate PCB layout. Keep the traces from the center of the feedback resistors to the corresponding FB pins as short as possible. LT3513 has an exposed ground pad on the backside of the IC to reduce thermal resistance. A ground plane with multiple vias into ground layers should be placed underneath the part to conduct heat away from the IC.
Conclusion
The LT3513 is a comprehensive, but compact, power supply solution for TFT-LCD panels. Its wide input range and low power dissipation allow it to be used in a wide variety of applications. All four of the integrated switching regulators have a 2MHz switching frequency and allow the exclusive use of the ceramic capacitors to minimize circuit size, cost and output ripple.