概览
设计资源
描述
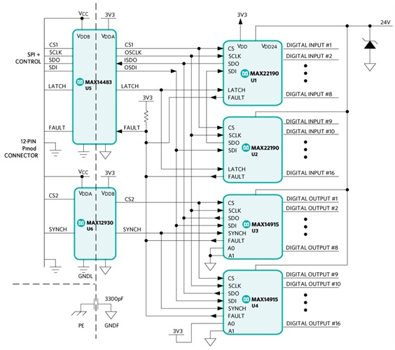
The MAXREFDES1165 is a complete, 32-channel industrial digital I/O module comprising 16 digital inputs (DIs) and 16 digital outputs (DOs) that is built and tested in an industrial form factor to meet transient immunity standards such as IEC 61000-4.
The MAXREFDES1165 is a proven design that provides the hardware and software necessary to demonstrate the MAX22190 octal industrial digital input device with diagnostic features, and the MAX14915 octal industrial digital output with high-side switches. In this reference design, two MAX22190s are configured in daisy-chain mode, and two MAX14915s are configured in addressable SPI mode. Galvanic isolation is provided by the MAX14483 and MAX12930 to isolate the data from the logic (SPI master) and field (24V) sides.
The MAXREFDES1165 has a 12-pin Pmod™-compatible connector (CNT1) for external SPI communication. For testing purposes, the reference design uses Analog's USB2PMB2# adapter board that receives commands from a PC through the USB port and translates them into an SPI interface. Alternatively, the user can connect the reference design board to any Pmod-compatible board, such as an FPGA or microcontroller system, and write their own software for controlling the MAX22190 and MAX14915.
优势和特点
- 32 Digital I/Os: 16 Inputs and 16 Outputs
- High Integration Reduces BOM Count and PCB Space
- Fault Tolerant with Built-In Diagnostics
- Robust Design to Meet IEC 61000-4
文件和资源
-
MAXREFDES1165 Design Files2022/5/2ZIP1 M
-
MAXREFDES1165: 32-Channel Industrial Digital I/O Module2022/5/2PDF0 M
支持与培训
搜索我们的知识库,获取技术问题答案。我们专门的应用工程师团队也会随时为您解答技术问题。


