概览
优势和特点
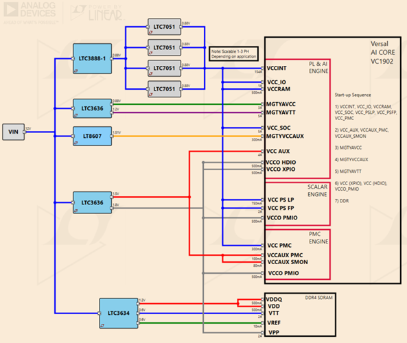
The ADI Versal AI Core Power Reference Design Board has been tested and proven to power the key rails for the Xilinx Versal AI Core ACAP series. Using a PMBUs Multi Phase DC/DC controller coupled with ADI SilentMOS (ADI version of DrMOS) to deliver up to 240A of output current.
The ADI LTC3888-1 is an 8 Phase PMBUs DC/DC controller that is coupled with the LTC7051 ADI SilentMOS to provide a flexible and scalable design that can be tailored as needed for both higher and lower power applications by adding or subtracting the LTC7051 ADI SilentMOS.
Request schematic for ADI power used on the board.
Contact ADI if you have questions about the ADI power management solutions used on this board.
电路功能与优势
| Rail/Function | Part Number(s) | Description | |
| Mid Voltage 0.8V: FPGA Core |
High Voltage 0.88V: FPGA Core |
LTC3888-1 | Dual Output 8-Phase Step-Down DC/DC Controller with Digital Power System Management |
| DrMOS for VCCINT rail | LTC7051 | 60A DC Monolithic Driver and Half Bridge with Current Sense and Temperature Monitor | |
| 0.88V: MGTYAVCC 1.2V: MGTYAVTT 1.5V: VCCAUX, VCCCAUX PMC, VCCAUX SMON 1.8V: VCCO HDIO, VCCO XPIO, VCCO PMIO |
LTC3636 | Dual Channel 6A, 20V Monolithic Synchronous Step-Down Regulator | |
| 1.5V: MGTYVCCAUX | LT8607 | 42V, 750mA Synchronous Step-Down Regulator with 2.5µA Quiescent Current | |
| DDR Memory Sink/Source | LTC3634 | 15V Dual 3A Monolithic Step-Down Regulator for DDR Power | |


