文档
-
Hot Swap Controllers2023/8/2PDF0 M
-
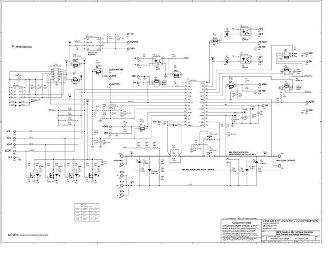
DC998A - Schematic2009/9/24PDF53K
-
DC998A - Demo Manual2009/9/24PDF585K
-
DC998A - Design File2009/9/24ZIP1M
