概览
产品详情
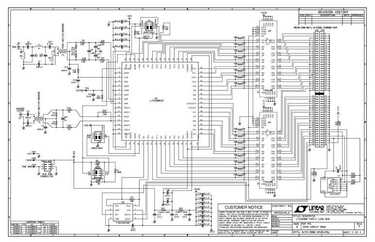
DC996B-B: Demo Board for the LTC2208 16-Bit, 130Msps ADC.
相关产品
文档
-
DC996 - Schematic2012/5/22PDF925K
-
DC996 - Demo Manual2012/5/22PDF1M
-
DC996 - Design Files2012/5/22ZIP4M
