文档
-
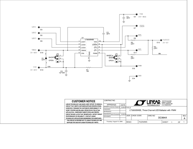
DC994A - Schematic2009/9/24PDF26K
-
DC994A - Demo Manual2009/9/24PDF618K
-
DC994A - Design File2009/9/24ZIP504K
