文档
-
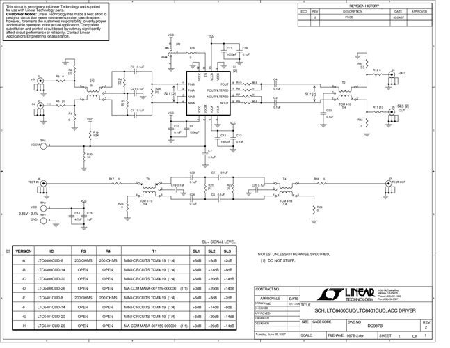
DC987B - Schematic2009/9/24PDF35K
-
DC987B - Demo Manual2009/9/24PDF207K
-
DC987B - Design File2009/9/24ZIP1M
