概览
产品详情
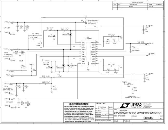
演示电路964A是一款双通道单芯片降压型DC/DC转换器,内置LT3501。该演示电路设计可通过4.5V至24V输入提供3.3V/3A和1.8V/3A输出。为每个通道提供独立输入电压、反馈、软启动和电源良好引脚可简化复杂的电源跟踪/时序控制要求。
相关产品
文档
-
DC964A - Schematic2009/9/24PDF37K
-
DC964A - Demo Manual2009/9/24PDF456K
-
DC964A - Design File2009/9/24ZIP773K
