文档
- 
                                                                
                                                                    
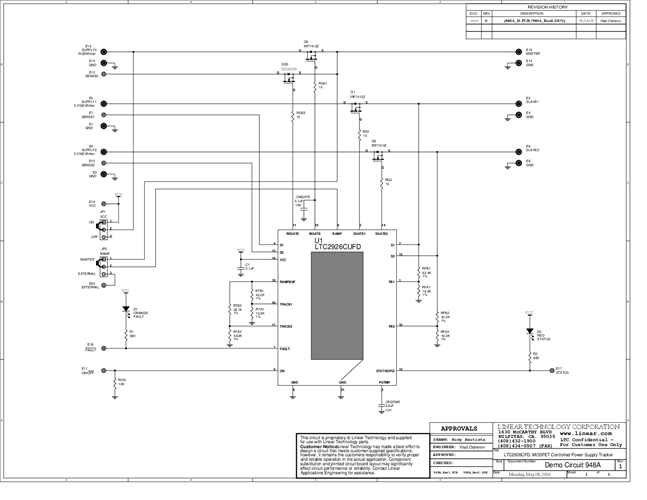
                                                                                                                                            DC948A - Schematic2009/9/24PDF343K
- 
                                                                
                                                                    
                                                                                                                                            DC948A - Demo Manual2009/9/24PDF328K
- 
                                                                
                                                                    
                                                                                                                                            DC948A - Design File2009/9/24ZIP450K
 
                             
                         
                         
                                                