概览
产品详情
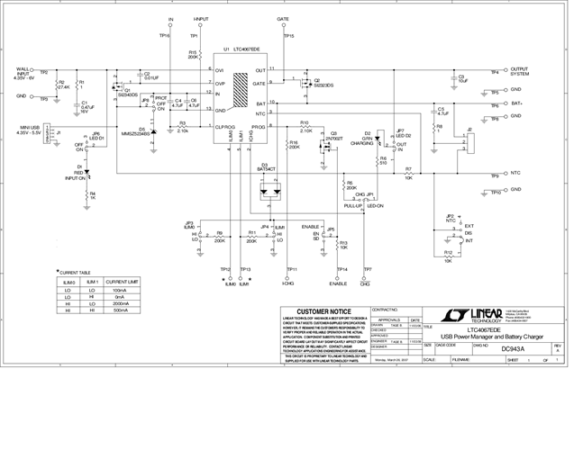
演示电路DC943是一款适合USB供电器件的完整电源控制器。该电路内置LTC6047并提供具有定时器端接功能和4.2V充电电压的全功能1.25A线性锂离子CC/CV电池充电器、USB电源管理器和PowerPath电池管理器。USB输入电压范围为4.35V至5.5V,壁式适配器输入为4.35V至6V。它还具有可编程1.5A输入电流限值,可针对USB应用设置为500mA或100mA。
针对壁式适配器提供最高13V的输入过压保护。当电压超过6V时,外部MOSFET会断开壁式适配器连接。
相关产品
文档
-
DC943A - Schematic2009/9/24PDF33K
-
DC943A - Demo Manual2009/9/24PDF716K
-
DC943A - Design File2009/9/24ZIP763K
