概览
产品详情
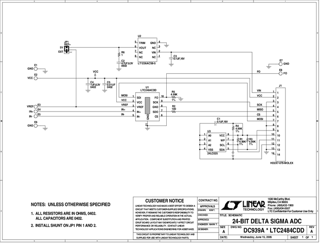
演示电路DC939内置24位高性能DS模数转换器(ADC) LTC2484。LTC2484具有2ppm线性度、0.5mV失调和600nV RMS噪声性能。输入是全差分的,且具有140 dB的输入共模抑制性能。LTC2484采用10引脚DFN封装,且具有易于使用的SPI接口。DC939属于ADI QuickEval™演示板系列产品。经设计可轻松评估LTC2484并可以直接连接到目标应用的模拟信号,同时使用DC590 USB串行控制器板和随附软件测量性能。裸露接地层可以正确接地至原型电路。使用ADI软件进行评估后,数字信号可连接到终端应用的处理器/控制器以便用于串行接口开发。
文档
- 
                                                                
                                                                    
                                                                                                                                            DC939A - Schematic2009/9/24PDF27K
- 
                                                                
                                                                    
                                                                                                                                            DC939A - Demo Manual2009/9/24PDF425K
- 
                                                                
                                                                    
                                                                                                                                            DC939A - Design File2009/9/24ZIP566K
 
                             
                         
                         
                                                 
                                                 
                                                 
                                                 
                                                



