概览
产品详情
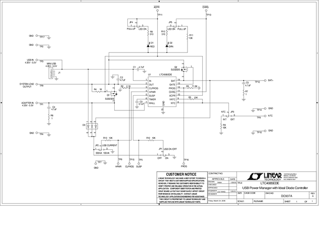
演示电路DC937A是一款适合USB供电器件的完整电源控制器。该器件基于LTC4085,并提供一个恒流、恒压线性电池充电器以及一个具有电池PowerPath管理功能的USB电源管理器。这个端接700mA CC/CV定时器、具有温度认证的线性充电器适用于锂离子电池,而USB电源管理器可确保符合USB电源规范并实现电池PowerPath管理。演示板的输入电压范围为4.5V至5.5V。
相关产品
文档
-
DC937A - Schematic2009/9/24PDF31K
-
DC937A - Demo Manual2009/9/24PDF134K
-
DC937A - Design File2009/9/24ZIP859K
