文档
-
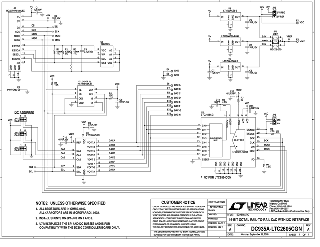
DC935A - Schematic2009/9/24PDF42K
-
DC935A - Demo Manual2013/5/23PDF680K
-
DC935A - Design File2009/9/24ZIP731K




