文档
- 
                                                                
                                                                    
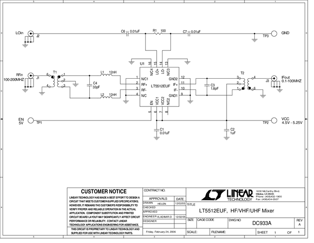
                                                                                                                                            DC933A - Schematic2009/9/24PDF27K
- 
                                                                
                                                                    
                                                                                                                                            DC933A - Demo Manual2009/9/24PDF129K
- 
                                                                
                                                                    
                                                                                                                                            DC933A - Design File2009/9/24ZIP518K
 
                             
                         
                         
                                                