概览
产品详情
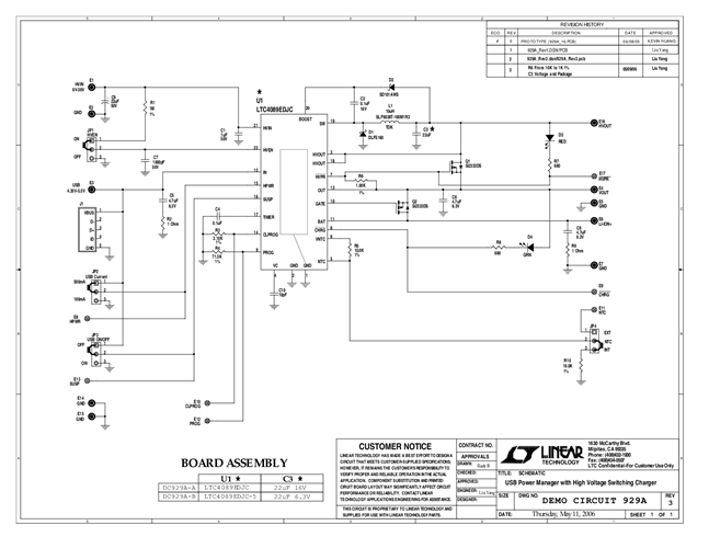
DC929A-A: Demo Board for the LTC4089 USB Power Manager with High Voltage Switching Charger.
相关产品
文档
-
DC929A - Schematic2009/9/24PDF335K
-
DC929A - Demo Manual2009/9/24PDF378K
-
DC929A - Design File2009/9/24ZIP607K
