文档
-
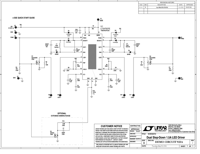
DC923A - Schematic2009/9/24PDF325K
-
DC923A - Demo Manual2009/9/24PDF428K
-
DC923A - Design File2009/9/24ZIP526K




