概览
产品详情
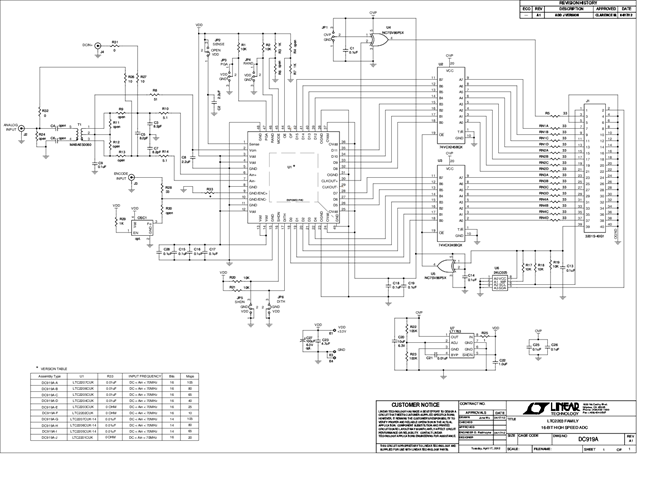
DC919A-H: Demo Board for the LTC2206-14 14-Bit, 80Msps ADC.
相关产品
文档
-
DC919A - Schematic2013/10/8PDF59K
-
DC919A - Demo Manual2012/5/18PDF243K
-
DC919A - Design Files2013/10/8ZIP0M
