文档
-
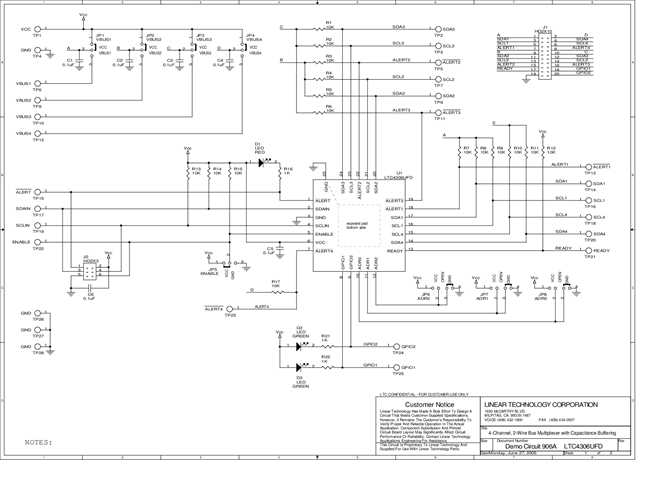
DC906A - Schematic2009/9/24PDF27K
-
DC906A - Demo Manual2009/9/24PDF555K
-
DC906A - Design File2009/9/24ZIP888K
