概览
产品详情
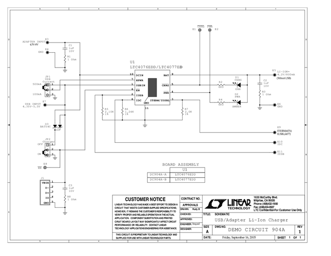
DC904A-B: Demo Board for the LTC4077 Dual Input Standalone Li-Ion Battery Charger.
相关产品
文档
-
DC904A - Schematic2009/9/24PDF32K
-
DC904A - Demo Manual2009/9/24PDF328K
-
DC904A - Design File2009/9/24ZIP700K
