概览
产品详情
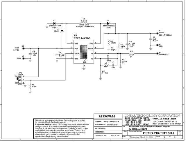
演示电路901A内置LTC3444,这是一款高效率、1.5MHz固定频率降压-升压DC/DC转换器。输入电压范围为3.1V至5.0V,适用于锂离子或三节NiCd/NiMH电池应用,同时通过注入0.35V至2.4V控制信号,可在0.8V至4.2V范围内任意设置输出电压。该演示板提供高达400mA的输出电流。
相关产品
文档
-
DC901A - Schematic2009/9/24PDF67K
-
DC901A - Demo Manual2009/9/24PDF308K
-
DC901A - Design File2009/9/24ZIP4M
