概览
产品详情
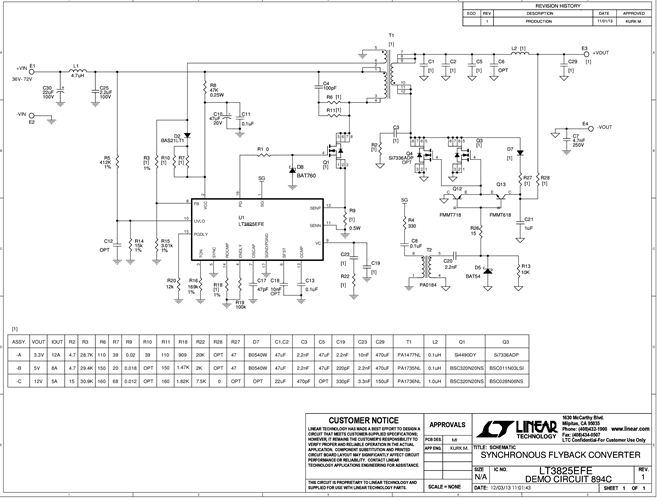
演示电路894C-B是一款36V-72Vin、同步反激式转换器,内置LT3825。该电路专为实现高电流、低纹波、同步整流反激式器件而设计,可在典型的电信输入电压范围内以高达8A的电流为5.0V负载有效供电。
相关产品
文档
-
DC894C - Schematic2014/2/10PDF60K
-
DC894C-B - Demo Manual2014/2/10PDF1M
-
DC894C - Design Files2014/2/10ZIP1M
