概览
产品详情
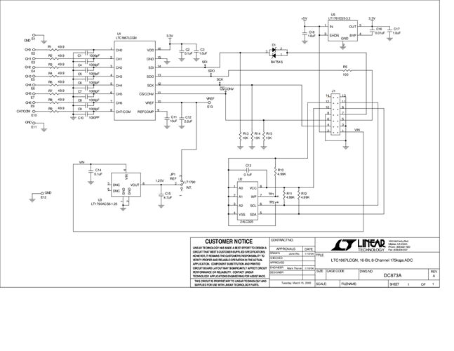
演示电路873内置LTC1867L八通道16位ADC。LTC1867L可针对单极性0至2.5V或双极性±1.25V输入电压范围进行软件编程。8通道多路复用器可以针对8个相对于地的单端输入、7个相对于COM/CH7引脚的单端输入、4个差分输入或这些输入的任意组合进行编程。
相关产品
文档
-
DC873A - Schematic2009/9/24PDF27K
-
DC873A - Demo Manual2009/9/24PDF117K
-
DC873A - Design File2009/9/24ZIP419K




