文档
-
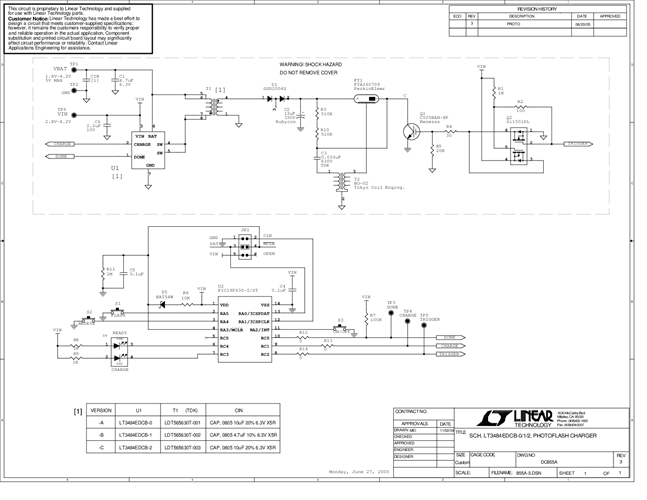
DC855A - Schematic2009/9/24PDF40K
-
DC855A - Demo Manual2009/9/24PDF192K
-
DC855A - Design File2009/9/24ZIP702K
