概览
产品详情
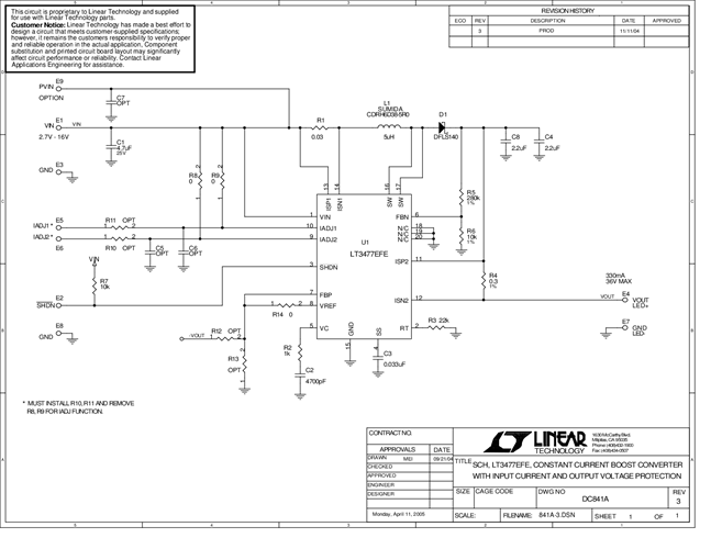
演示电路841是一款具有输入电流和输出电压保护功能的恒流LED升压转换器,内置LT3477。该板经过优化,可驱动总LED电压介于最大输入电压和36V之间的330mA LED矩阵。输入电压范围为2.7V至16V。
如果LED开启或未正确连接到PCB上的端子,DC841提供低于36V的过压保护。
相关产品
文档
-
DC841A - Schematic2009/9/24PDF24K
-
DC841A - Demo Manual2009/9/24PDF265K
-
DC841A - Design File2009/9/24ZIP608K




