概览
产品详情
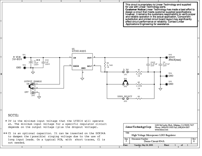
演示电路DC834是一款高电压微功耗稳压器,采用提供小型SOT-23封装的20mA输出低压差线性稳压器LT3014。DC834的输入电压范围为3V至80V。该演示板的跳线可选输出电压可设置为3.3V、5V或用户定义的1.22V至60V之间的值。静态电流在工作时通常仅为6uA,且关断时小于1µA。
文档
-
DC834A - Schematic2009/9/24PDF128K
-
DC834A - Demo Manual2009/9/24PDF125K
-
DC834A - Design File2009/9/24ZIP576K
