文档
-
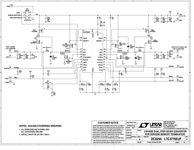
DC829A - Schematic2009/9/24PDF39K
-
DC829A - Demo Manual2009/9/24PDF1M
-
DC829A - Design File2009/9/24ZIP966K
