概览
产品详情
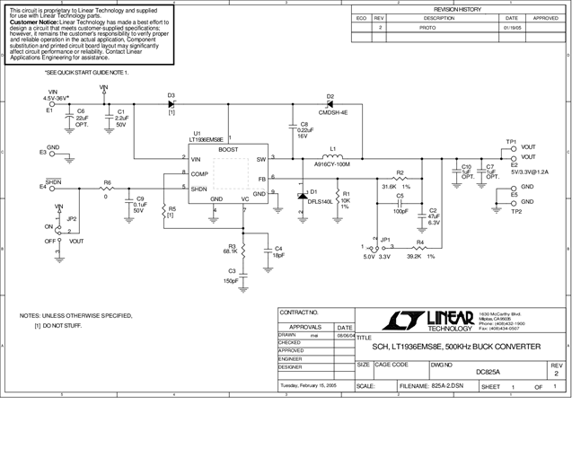
演示电路825是一款单芯片降压型DC/DC开关转换器,内置LT1936。该演示板针对3.3V/1.2A输出(4.5V至36V输入时)和5V/1.2A输出(6.8V至36V时)进行优化。输出可以选择,将JP1跳线放置在3.3V或5V位置即可实现。
相关产品
文档
-
DC825A - Schematic2009/9/24PDF24K
-
DC825A - Demo Manual2009/9/24PDF841K
-
DC825A - Design File2009/9/24ZIP513K
