概览
产品详情
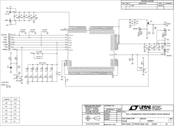
DC823B-B: Demo Board for the LTM4600HV 10A, 28VIN High Efficiency DC/DC µModule.
相关产品
文档
-
DC823B-B - Schematic2011/1/28PDF46K
-
DC823B-B - Demo Manual2011/2/1PDF1M
-
DC823B-B - Design File2011/2/1ZIP1M
