概览
产品详情
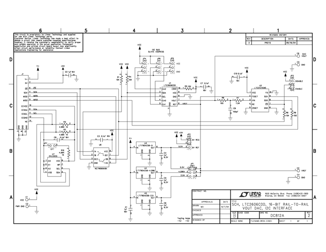
DC812A:具有I2C接口的LTC260616位轨到轨DAC演示板。
文档
-
DC812A - Schematic2009/9/24PDF104K
-
DC812A - Demo Manual2013/5/24PDF610K
-
DC812A - Design File2009/9/24ZIP614K





