概览
产品详情
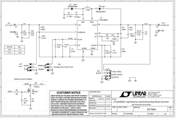
演示电路799是一款采用LTC3442的高效率同步降压-升压转换器。输入电压范围为2.4V至5.5V,使其非常适合单节锂离子或三节NiCd/NiMH电池应用。输出电压设置为3.3V。针对2.7V的较小输入电压,该转换器可提供高达1.2A的负载电流。通过更改其中一个反馈电阻可获得2.4V至5.25V范围内的不同输出电压。
相关产品
文档
-
DC799A - Schematic2009/9/24PDF26K
-
DC799A - Demo Manual2009/9/24PDF132K
-
DC799A - Design File2009/9/24ZIP348K
