概览
产品详情
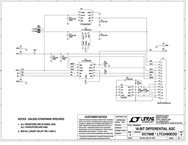
DC798B:具有轻松抵消驱动输入电流功能的LTC2480 16位Σ-△型ADC演示板。
文档
-
DC798B - Schematic2009/9/24PDF26K
-
DC798B - Demo Manual2013/10/18PDF784K
-
DC798B - Design File2009/9/24ZIP580K
