文档
-
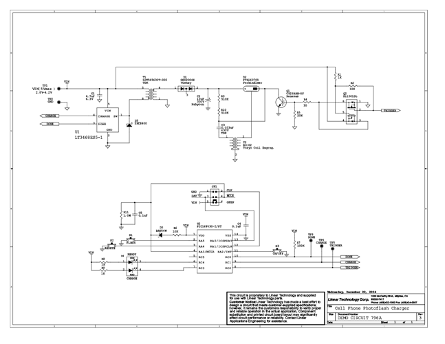
DC796A - Schematic2009/9/24PDF134K
-
DC796A - Demo Manual2009/9/24PDF151K
-
DC796A - Design File2009/9/24ZIP522K
