概览
产品详情
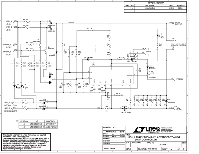
DC787A-B: Demo Board for the LTC4252B-1/LTC4252B-2 LTC4252C-1/LTC4252C-2 Negative Voltage Hot Swap Controllers.
相关产品
文档
-
Hot Swap Controllers2023/8/2PDF0 M
-
DC787A - Schematic2013/8/13PDF37K
-
DC787A - Demo Manual2013/1/10PDF96K
-
DC787A - Design File2009/9/24ZIP892K
