概览
产品详情
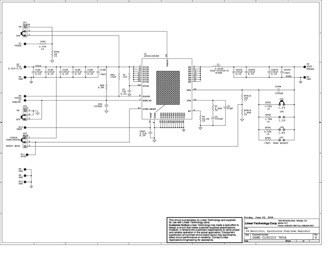
DC785是一款8A高效率、高频率降压转换器,集成了LTC3418单芯片同步稳压器。DC785具有2.25V至5.5V的输入电压范围,并可通过跳线选择将输出电压设置为1.2V、1.5V、1.8V或高达5V的用户确定值。
相关产品
文档
-
DC785A - Schematic2009/9/24PDF119K
-
DC785A - Demo Manual2009/9/24PDF162K
-
DC785A - Design File2009/9/24ZIP892K
