概览
产品详情
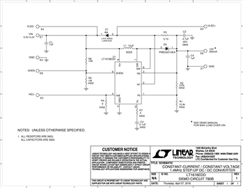
演示电路 780B 是一款采用 LT1618 的恒定电流恒定电压 1.4MHz 升压型 DC/DC 转换器。DC780B 演示了一款采用 3.3V 至 4.2V 电源产生 12V、250mA 输出的通用型升压转换器。
该演示板还可用作 LED 驱动器,其中 Luxeon LED (未安装) 用 500mA 的稳定电流 (默认电流) 在 3.5V 的正向电压下驱动。通过将 R4 的阻值变更为 2.2M,可将 LED 电流调节在 250mA。
LT1618 可用于更宽的输入电压范围,但是输出电压电平和组件选择将此演示电路限制为锂离子电池输入电平。
文档
-
DC780B - Schematic2016/7/25PDF24K
-
DC780B - Demo Manual2016/7/25PDF318K
-
DC780B - Design File2016/7/25ZIP557K




