文档
- 
                                                                
                                                                    
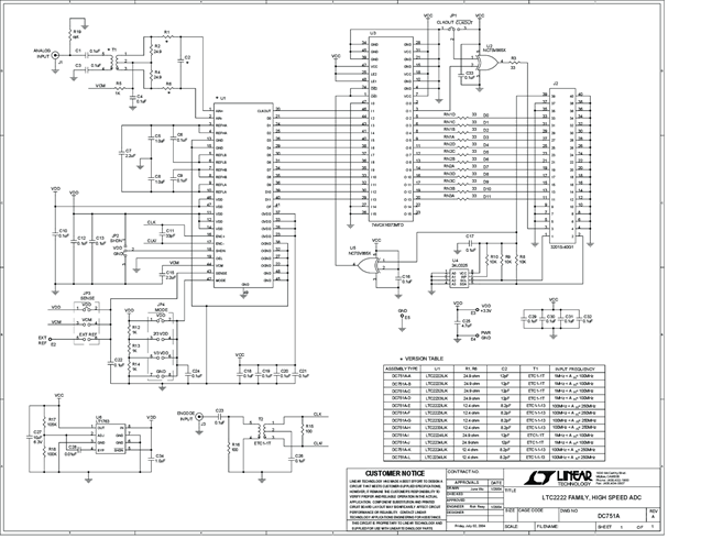
                                                                                                                                            DC751A - Schematic2012/1/3PDF78K
- 
                                                                
                                                                    
                                                                                                                                            DC751A - Demo Manual2009/9/24PDF629K
- 
                                                                
                                                                    
                                                                                                                                            DC751A - Design File2011/6/8ZIP948K
 
                             
                         
                         
                                                