概览
产品详情
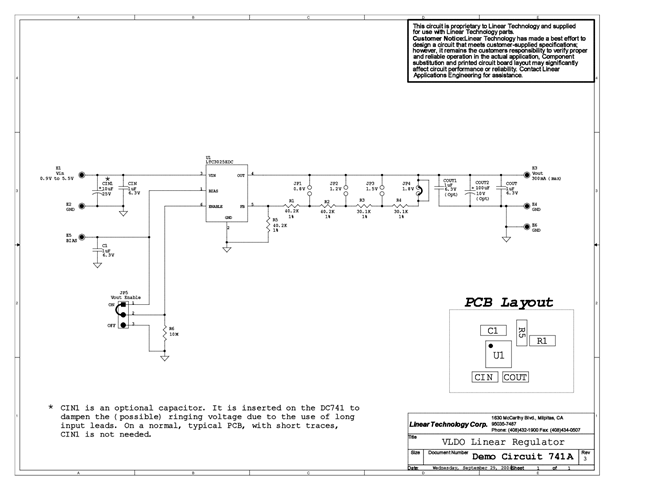
演示电路741是一款使用300mA输出电流LTC3025线性稳压器的超低压差电源,该稳压器采用小型2mm x 2mm 6引脚DFN封装。DC741具有0.9V至5.5V的输入电压范围,并提供0.8V、1.2V、1.5V、1.8V的跳线可选输出电压或0.4V至3.6V之间的用户定义值。
LTC3025具有0.4V的基准电压,使DC741可向低电压应用供电。DC741还非常适用于降压开关稳压器后置调节,可构建高效率低噪声电源。DC741采用小型陶瓷电容,表明LTC3025使用陶瓷输出电容能够保持稳定性。
相关产品
文档
-
DC741A - Schematic2009/9/24PDF126K
-
DC741A - Demo Manual2009/9/24PDF382K
-
DC741A - Design File2009/9/24ZIP699K
