概览
产品详情
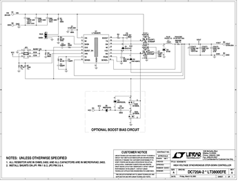
演示电路720是一款200kHz高电压、同步电流模式DC/DC降压转换器,内置LTC3800。该板的Vin范围为20V至55V,并提供12V、6.25A输出(75W)。
相关产品
文档
-
DC720A - Schematic2009/9/24PDF36K
-
DC720A - Demo Manual2009/9/24PDF442K
-
DC720A - Design File2009/9/24ZIP820K
