文档
-
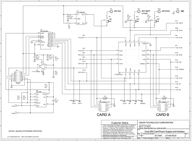
DC709A - Schematic2009/9/24PDF28K
-
DC709A - Demo Manual2009/9/24PDF676K
-
DC709A - Design File2009/9/24ZIP526K
