概览
产品详情
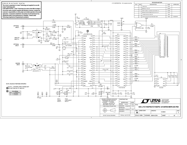
DC699A-B: Demo Board for the LTC1750 14-Bit, 80Msps Wide Bandwidth ADC.
相关产品
文档
-
DC699A - Schematic2009/9/24PDF54K
-
DC699A - Demo Manual2009/9/24PDF1M
-
DC699A - Design File2009/9/24ZIP1M
